KRSBW-123K1智能显示温度变送器,采用进口E+H品牌TM72智能温度变送器,配合一体或分体式热电阻RTD(热电偶TC)的输入,实现二线制4 ~20mA+HART的输出,该产品具有精度高、稳定性好、抗干扰能力强和使用寿命长等特点,具备诊断功能,与国外同类产品相比具有较高的性价比,理想的替代产品。
一、主要技术参数:
(一)信号输入:热电阻RTD(2、3、4线)、热电偶TC;
(二)信号输出:二线制4 ~20mA+HART;
(三)精度等级:0.1级;
(四)响应时间:≤1S
(五)供电电压:+24V
(六)长期漂移:1年后≤0.03
(七)环境温度:-40~85℃
(八)储藏温度:-50~100℃
(九)防护等级:IP65 防尘、防喷水
(十)防爆等级:ExiaIICT6+EXDIICT6
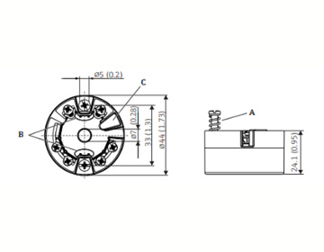
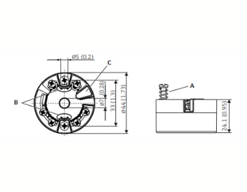
二、基本结构
(一)变送模块外形尺寸
(二)接线图
